Les poulies sont ce qu'on appelle des machines simples. Sans utiliser de moteur, elles peuvent aider à multiplier la force appliquée pour soulever un objet. Lorsque tu assembles deux ou plusieurs roues et que tu fais passer une corde autour d'elles, tu as créé une formidable machine à soulever. La charge est la quantité de masse de l'objet à déplacer, et l'effort est la force nécessaire pour déplacer l'objet.
Si tu augmentes le nombre de poulies dans un système, tu auras besoin de plus de corde pour tirer la charge sur une certaine distance. Par conséquent, tu devras appliquer la force pendant une période plus longue lorsque tu auras plus de poulies.
Comment fonctionnent les poulies
Au fur et à mesure que tu ajoutes des poulies, tu augmentes ton avantage mécanique et il devient très facile de soulever la même charge. Cependant, avant de continuer, définissons ce qu'est l'avantage mécanique et précisons les différences entre le poids et la masse.
Le poids est la force avec laquelle la gravité attire un objet vers le sol. Il se mesure en newtons (N).
La masse est la mesure de la quantité de substance contenue dans un objet et se mesure en kilogrammes (kg).
Si tu as un sac dont la masse est d'environ 40 kg, tu peux calculer son poids comme suit : \(poids = masse \cdot gravité\).
\(Poids = 40 kg \cdot 9,8 m/s^2 = 392 kg \cdot m /s^2 = 392 N\).
La gravité terrestre, exprimée en newtons, est environ dix fois supérieure à la masse exprimée en kilogrammes.
Système de poulie à une roue
Une simple poulie t'aide à soulever des charges en inversant le sens de la charge. Si tu tires la corde vers le bas, ta charge monte, comme le montre le schéma ci-dessous.
Poulie à une roue. Image:César Rincón CC BY-SA 3.0,
Système de poulie à deux roues
En ajoutant une roue supplémentaire au système, tu peux maintenant réduire l'effort que tu utiliserais pour soulever la même charge en utilisant un système de poulies à une roue. Si j'avais mon sac d'une masse de 40 kg et d'un poids de 400 N, cette fois-ci, le poids de la charge sera réparti entre les deux poulies. Par conséquent, tu auras besoin de la moitié de l'effort nécessaire pour tirer la charge. Les poulies qui ont plus de roues donnent plus d'avantages mécaniques.
Avec le système à deux roues, lorsque tu tires 5 mètres de la corde, tu ne déplaces la charge que sur la moitié de la distance. Cela représente 2,5 mètres.
Système de poulie à deux roues. Image : domaine public.
Système de poulie à quatre roues
Si quatre roues sont maintenues ensemble par une corde pour former une poulie, tu remarqueras que quatre sections du poids seront suspendues aux roues de la poulie. Cela signifie que le poids de notre sac de 400 N (40 kg) sera maintenant réparti sur chaque roue, et nous n'aurons besoin que d'un quart de la force pour déplacer la charge autant que nous l'aurions fait avec une simple poulie à une roue.
L'avantage mécanique de ce système de poulies sera deux fois supérieur à celui du système à deux roues. Cependant, pour soulever la charge sur une distance de 5 mètres, la corde devra être tirée sur quatre fois cette distance. Cela représente 20 mètres.
Système de poulie à quatre roues. Image : domaine public.
Types de poulies
Parmi les machines simples, il existe trois types de systèmes de poulies :
Poulies mobiles : elles sont différentes des poulies fixes car le système de poulies se déplace en fait avec la charge. Contrairement à la poulie fixe, ce système ne change pas la direction, il multiplie plutôt la force qui est exercée sur la charge. Elle est utile pour les charges plus lourdes, et tu n'auras pas besoin d'autant d'efforts pour soulever la charge.
Trouver l'accélération d'une charge
Voici quelques exemples travaillés pour trouver l'accélération d'une charge. Pour certains d'entre eux, nous utilisons les équations du SUVAT.
Trouver l'accélération
Si les deux particules du diagramme ci-dessous sont libérées du repos, quelle sera leur accélération ?

Réponse :
La particule ayant la masse la plus élevée tombera, et la particule ayant la masse la plus faible montera. Prenons la particule de 5 kg comme particule a, et la particule de 12 kg comme particule b.
Pour clarifier le poids de chaque particule, nous devons multiplier leur masse par la gravité. Nous utilisons donc g = 9,8 m / s².
Poids de a = 5g
Poids de b = 12g
Tu peux maintenant modéliser une équation pour l'accélération et la tension de chaque particule.
\(T - 5kg \cdot g = 5kg \cdot \text{ a [Particule a] [Equation 1]}\)
\(12kg \cdot g - T = 12kg \cdot \text{ a [Particule b] [Equation 2]}\)
Tu peux maintenant résoudre cette équation simultanément. Additionne les deux équations pour éliminer la variable T.
\(7kg \cdot g = 17kg \cdot a\c)
Si tu prends g = 9,8 m / s².
\(a = 4,0 m/s^2)
Enquête sur deux possibilités
Deux particules de masse 8 kg et m kg sont reliées par une corde tendue passant sur un piquet lisse. Les deux particules sont suspendues verticalement, l'une d'entre elles étant maintenue au repos. La particule est relâchée. Étant donné que l'accélération est de 5 m/s², trouve la masse m.
Réponse :
Dessinons un schéma adapté à la question.

Prenons la particule ayant une masse de 8 kg comme particule a, et la particule ayant une masse inconnue comme b.
Pour que tout cela fonctionne, la masse de la particule b est soit plus grande, soit plus petite que celle de la particule a. Cela déterminera quelle particule accélérera. Il se peut donc que nous devions étudier les deux possibilités.
Examinons donc la situation où m > 8.
Résolvons la particule a verticalement :
\(T - 8kg \cdot g = 8 kg \cdot 5 m/s^2 \cquad T = 40 N + 8 kg \cdot (9,8 m/s^2) \cquad T = 118,4N\)
Résoudre la particule b verticalement :
\(mg - 118,4 N = 5 m/s^2 \cdot m \cdot mg -5m/s^2 \cdot m = 118,4N \cdot m(g-5m/s^2) = 118,4N\)
\(m = \frac{118.4 N}{g - 5 m/s^2} = 24.7 kg\)
Ce serait la masse de la particule b dans le cas où m > 8.
Prenons maintenant le cas où m < 8
\(8kg \cdot g - D = 8kg \cdot 5m/s^2\)
T = 38,4N
Résoudre la particule b verticalement :
\N(38.4 N - mg = 5 m/s^2 \Nm \Nquad 38.4 N = 5 m/s^2 \Nm + mg \Nquad 38.4 N = m (5m/s^2 + g)\N)
\(m = \frac{38.4N}{5 m/s^2 + g}\)
m = 2,6 kg
Nous avons maintenant une masse pour les deux scénarios. Si la masse de la particule a> b, b accélère vers le haut tandis que a accélère vers le bas. En revanche, si a < b, a accélérera vers le haut tandis que b accélérera vers le bas.
SUVAT
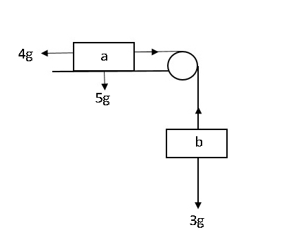
Le schéma montre deux particules qui sont reliées par une ficelle légère inextensible. La particule a de 5 kg se trouve sur une surface horizontale rugueuse et la particule b de 3 kg est suspendue à l'autre extrémité de la ficelle. La ficelle passe au-dessus d'une poulie légère et lisse. La vitesse initiale des deux particules est de 2 ms-1 et une force de frottement constante de 4N agit contre a. Les particules ralentissent et s'arrêtent avant que a n'atteigne la poulie ou que b ne touche la chute. Trouve :

Figure 7. Exemple de poulie sur SUVAT
Réponds :
- \(T -4g = 5a \text{ [Equation 1] [Particule a résolue horizontalement]}\N- \N(3g - T = 3a \text{ [Equation 2] [Particule a résolue horizontalement]})
\(3g - T = 3a \text{ [Equation 2] [Particule b résolue verticalement]}\)
Additionner les équations
\N(-g = 8a\N)
\N(a = \frac{-g}{8}\N)
Prends g comme étant 9,8 ms-2
\N(a = -1.225 ms^{-2}\N)
s = x
u = 2 ms-1
v = 0
a = -1,225 ms-2
t = ?
Nous utiliserons l'équation qui n'a pas de t puisque nous n'avons pas d'informations à ce sujet.
\N(v^2 = u^2 + 2as\N)
\(0 = 4ms^{-1} - 2 \cdot 1.225 ms^{-2}\)
\(s = \frac{4ms^{-1}}{2 \cdot 1.225 ms^{-2}}\)
\N(s = 1.6 m\N)
Poulies - Points clés
- Une poulie est un ensemble de roues sur lesquelles tu boucles une corde pour faciliter le levage d'objets.
- Il existe trois types de systèmes de poulies. Les poulies fixes, les poulies mobiles et les poulies composées.
- Plus il y a de roues dans ton système, plus tu as d'avantages mécaniques pour soulever ta charge.
- En incluant une roue dans ton système de poulie à une roue, tu réduis la force nécessaire pour soulever la charge, mais tu devras déplacer ta corde sur une distance deux fois plus grande pour que la charge couvre la distance qu'elle aurait parcourue s'il s'agissait d'un système à une roue.
- Les équations SUVAT peuvent être utilisées pour résoudre certains problèmes de poulies.
Images
Poulie à une roue https://commons.wikimedia.org/w/index.php?curid=643667